Części zamienne do
Kontakt
Stiga
WSO TEXAS
jest autoryzowanym dealerem marki

Statystyki
Produktów:
Kategorii:
Nowości:KOŁO ROLKA CUB CADET LT1 LT2 LT3 756-04050 GUTBROD GLX 105 RA/RALK/RAT/RHL
Cena regularna:
towar niedostępny
dodaj do przechowalni
5
Opis
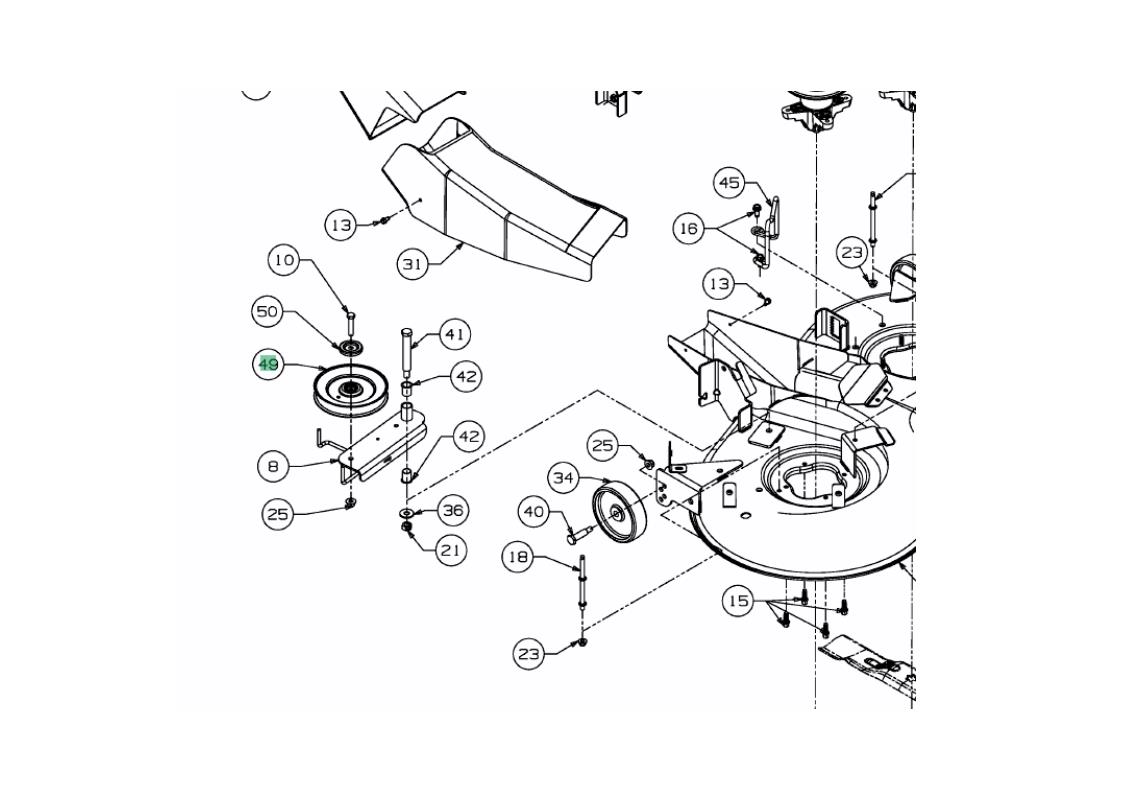
KOŁO PASOWE NAPINAJĄCE PASEK NAPĘDU NOŻY DO TRAKTORKÓW
ZAZNACZONE NA SCHEMACIE PRZYKŁADOWEGO MODELU MTD DL 92 H 13H2715E677 2017r.
MARKI I MODELE:
CUB CADET
- LT3 PR92 / 13IG71DE603 (2017) / Mowing deck E (36"/92cm)
- LT3 PR105 / 13IT71DN603 (2019) / Mowing deck N (41"/105cm)
- LT3 PR105 / 13HT71DN603 (2019) / Mowing deck N (41"/105cm)
- LT3 PR105 / 13HT71DN603 (2018) / Mowing deck N (41"/105cm)
- LT3 PR105 / 13HT71DN603 (2017) / Mowing deck N (41"/105cm)
- LT2 OR105 / 13I871DN603 (2017) / Mowing deck N (41"/105cm)
- LT2 NR92 / 13I271DE603 (2019) / Mowing deck E (36"/92cm)
- LT2 NR92 / 13I271DE603 (2018) / Mowing deck E (36"/92cm)
- LT2 NR92 / 13I271DE603 (2017) / Mowing deck E (36"/92cm)
- LT2 NR92 / 13AB71DE603 (2019) / Mowing deck E (36"/92cm)
- LT1 OR105T / 13I876DN603 (2017) / Mowing deck N (41"/105cm)
- LT1 NR92 / 13J276DE603 (2019) / Mowing deck E (36"/92cm)
- LT1 NR92 / 13J276DE603 (2018) / Mowing deck E (36"/92cm)
- LT1 NR92 / 13I276DE603 (2017) / Mowing deck E (36"/92cm)
- LT1 NR92 / 13AB76DE603 (2019) / Mowing deck E (36"/92cm)
- CC 917 HN / 13HN99AN603 (2016) / Mowing deck N (41"/105cm)
- CC 917 HN / 13H899AN603 (2016) / Mowing deck N (41"/105cm)
- CC 917 HE / 13HN99AE603 (2016) / Mowing deck E (36"/92cm)
- CC 917 HE / 13HN99AE330 (2016) / Mowing deck E (36"/92cm)
- CC 917 HE / 13H899AE603 (2016) / Mowing deck E (36"/92cm)
- CC 917 AN / 13HN98AN603 (2016) / Mowing deck N (41"/105cm)
- CC 917 AN / 13H898AN603 (2016) / Mowing deck N (41"/105cm)
- CC 917 AE / 13HN98AE603 (2016) / Mowing deck E (36"/92cm)
- CC 917 AE / 13H898AE603 (2016) / Mowing deck E (36"/92cm)
- CC 717 HN / 13HD71DN603 (2014) / Mowing deck N (41"/105cm)
- CC 717 HN / 13BD71DN603 (2014) / Mowing deck N (41"/105cm)
- CC 717 HN / 13AD71DN603 (2013) / Mowing deck N (41"/105cm)
- CC 717 HN / 13AD71DN603 (2012) / Mowing deck N (41"/105cm)
- CC 716 KHN / 13IG71DN603 (2016) / Mowing deck N (41"/105cm)
- CC 716 KHN / 13HG71DN603 (2016) / Mowing deck N (41"/105cm)
- CC 715 TN / 13AD77DN603 (2012) / Mowing deck N (41"/105cm)
- CC 715 HE / 13AD71DE603 (2013) / Mowing deck E (36"/92cm)
- CC 715 HE / 13AD71DE603 (2012) / Mowing deck E (36"/92cm)
- CC 714 TN / 13H277DN603 (2014) / Mowing deck N (41"/105cm)
- CC 714 TN / 13B277DN603 (2014) / Mowing deck N (41"/105cm)
- CC 714 TN / 13A277DN603 (2013) / Mowing deck N (41"/105cm)
- CC 714 TE / 13H277DE603 (2016) / Mowing deck E (36"/92cm)
- CC 714 TE / 13H277DE603 (2015) / Mowing deck E (36"/92cm)
- CC 714 TE / 13H277DE603 (2014) / Mowing deck E (36"/92cm)
- CC 714 TE / 13B277DE603 (2014) / Mowing deck E (36"/92cm)
- CC 714 TE / 13A277DE603 (2013) / Mowing deck E (36"/92cm)
- CC 714 HE / 13H271DE603 (2016) / Mowing deck E (36"/92cm)
- CC 714 HE / 13H271DE603 (2015) / Mowing deck E (36"/92cm)
- CC 714 HE / 13H271DE603 (2014) / Mowing deck E (36"/92cm)
- CC 714 HE / 13B271DE603 (2014) / Mowing deck E (36"/92cm)
- CC 713 TE / 13AY77DE603 (2012) / Mowing deck E (36"/92cm)
- CC 513 TE / 13H2765E603 (2016) / Mowing deck E (36"/92cm)
- CC 513 HE / 13H2715E603 (2016) / Mowing deck E (36"/92cm)
- CC 1025 RD-N / 13CI51CN603 (2009) / Mowing deck N (41"/105cm)
- CC 1025 RD-N / 13CI51CN403 (2009) / Mowing deck N (41"/105cm)
- CC 1025 RD-N / 13BI51CN603 (2008) / Mowing deck N (41"/105cm)
- CC 1025 RD-J / 13CI51CJ603 (2009) / Mowing deck J (48"/122cm)
- CC 1025 RD-J / 13BI51CJ603 (2008) / Mowing deck J (48"/122cm)
- CC 1024 RD-N / 13MI51AN603 (2011) / Mowing deck N (41"/105cm)
- CC 1024 RD-N / 13MI51AN403 (2011) / Mowing deck N (41"/105cm)
- CC 1024 RD-N / 13DI51AN603 (2011) / Mowing deck N (41"/105cm)
- CC 1024 RD-N / 13DI51AN403 (2011) / Mowing deck N (41"/105cm)
- CC 1024 RD-N / 13CI51AN603 (2011) / Mowing deck N (41"/105cm)
- CC 1024 RD-N / 13CI51AN603 (2010) / Mowing deck N (41"/105cm)
- CC 1024 RD-N / 13CI51AN403 (2011) / Mowing deck N (41"/105cm)
- CC 1024 RD-N / 13CI51AN403 (2010) / Mowing deck N (41"/105cm)
- CC 1024 RD-J / 13MI51AJ603 (2011) / Mowing deck J (48"/122cm)
- CC 1024 RD-J / 13MI51AJ403 (2011) / Mowing deck J (48"/122cm)
- CC 1024 RD-J / 13DI51AJ603 (2011) / Mowing deck J (48"/122cm)
- CC 1024 RD-J / 13DI51AJ403 (2011) / Mowing deck J (48"/122cm)
- CC 1024 RD-J / 13CI51AJ603 (2011) / Mowing deck J (48"/122cm)
- CC 1024 RD-J / 13CI51AJ603 (2010) / Mowing deck J (48"/122cm)
- CC 1024 RD-J / 13CI51AJ403 (2011) / Mowing deck J (48"/122cm)
- CC 1024 RD-J / 13CI51AJ403 (2010) / Mowing deck J (48"/122cm)
- CC 1024 KHN / 13HQ91AN603 (2016) / Mowing deck N (41"/105cm)
- CC 1024 KHN / 13HQ91AN603 (2015) / Mowing deck N (41"/105cm)
- CC 1024 KHN / 13HI91AN603N (2014) / Mowing deck N (41"/105cm)
- CC 1024 KHN / 13HI91AN603 (2014) / Mowing deck N (41"/105cm)
- CC 1024 KHN / 13BI91AN603 (2014) / Mowing deck N (41"/105cm)
- CC 1024 KHJ / 13HI91AJ603 (2014) / Mowing deck J (48"/122cm)
- CC 1024 KHJ / 13AI91AJ603 (2014) / Mowing deck J (48"/122cm)
- CC 1024 KHJ / 13AI91AJ603 (2013) / Mowing deck J (48"/122cm)
- CC 1024 KHJ / 13AI91AJ603 (2012) / Mowing deck J (48"/122cm)
- CC 1023 RD / 13AP51CJ603 (2005) / Mowing deck J (48"/122cm)
- CC 1023 RD / 13AB51CJ630 (2007) / Mowing deck J (48"/122cm)
- CC 1023 RD / 13AB51CJ630 (2006) / Mowing deck J (48"/122cm)
- CC 1023 RD / 13AB51CJ603 (2007) / Mowing deck J (48"/122cm)
- CC 1023 RD / 13AB51CJ603 (2006) / Mowing deck J (48"/122cm)
- CC 1023 HNK / 13HQ91AN330 (2016) / Mowing deck N (41"/105cm)
- CC 1023 HNK / 13HQ91AN330 (2015) / Mowing deck N (41"/105cm)
- CC 1023 HNK / 13BQ91AN603 (2013) / E3-07527B-01
- CC 1022 RD-E / 13CF51CE403 (2009) / Mowing deck E (36"/92cm)
- CC 1022 RD-E / 13BF51CE603 (2008) / Mowing deck E (36"/92cm)
- CC 1022 KHN / 13BF91AN603N (2013) / E3-07527B-01
- CC 1022 KHN / 13BF91AN603 (2013) / E3-07527B-01
- CC 1022 KHN / 13AF91AN603 (2012) / Mowing deck N (41"/105cm)
- CC 1022 KHI / 13HP91AI603 (2016) / Mowing deck I (36"/92cm)
- CC 1022 KHI / 13HP91AI603 (2015) / Mowing deck I (36"/92cm)
- CC 1022 KHI / 13HF91AI603 (2014) / Mowing deck I (36"/92cm)
- CC 1022 KHI / 13AF91AI603 (2014) / Mowing deck I (36"/92cm)
- CC 1022 KHI / 13AF91AI603 (2013) / Mowing deck I (36"/92cm)
- CC 1022 KHI / 13AF91AI603 (2012) / Mowing deck I (36"/92cm)
- CC 1020 RD / 13AE51CN630 (2007) / Mowing deck N (41"/105cm)
- CC 1020 RD / 13AE51CN630 (2006) / Mowing deck N (41"/105cm) to 30.11.2005
- CC 1020 RD / 13AE51CN630 (2006) / Mowing deck N (41"/105cm) from 01.12.2005
- CC 1020 RD / 13AE51CN603 (2007) / Mowing deck N (41"/105cm)
- CC 1020 RD / 13AE51CN603 (2006) / Mowing deck N (41"/105cm) to 30.11.2005
- CC 1020 RD / 13AE51CN603 (2006) / Mowing deck N (41"/105cm) from 01.12.2005
- CC 1020 RD / 13AE51CN603 (2006) / Mowing deck N (41"/105cm)
- CC 1020 RD / 13AE51CN603 (2005) / Mowing deck N (41"/105cm)
- CC 1020 RD / 13AE51CN403 (2007) / Mowing deck N (41"/105cm)
- CC 1020 BHN / 13HT91AN603 (2016) / Mowing deck N (41"/105cm)
- CC 1020 BHN / 13HT91AN603 (2015) / Mowing deck N (41"/105cm)
- CC 1020 ANK / 13AP90AN603 (2012) / Mowing deck N (41"/105cm)
- CC 1019 HN / 13HJ91AN603 (2015) / Mowing deck N (41"/105cm)
- CC 1019 HN / 13HJ91AN603 (2014) / Mowing deck N (41"/105cm)
- CC 1019 HN / 13BJ91AN603 (2014) / Mowing deck N (41"/105cm)
- CC 1019 HN / 13BJ91AN603 (2013) / E3-07527B-01
- CC 1019 HN / 13AJ91AN603 (2012) / Mowing deck N (41"/105cm)
- CC 1018 RD-N / 13CV51CN403 (2009) / Mowing deck N (41"/105cm)
- CC 1018 RD-N / 13BX51CN603 (2008) / Mowing deck N (41"/105cm)
- CC 1018 RD / 13AE51CE630 (2007) / Mowing deck E (36"/92cm)
- CC 1018 RD / 13AE51CE603 (2007) / Mowing deck E (36"/92cm)
- CC 1018 RD / 13AE51CE603 (2006) / Mowing deck E (36"/92cm)
- CC 1018 RD / 13AE51CE403 (2007) / Mowing deck E (36"/92cm)
- CC 1018 KHN / 13HG91AN603 (2014) / Mowing deck N (41"/105cm)
- CC 1018 KHN / 13BG91AN603 (2014) / Mowing deck N (41"/105cm)
- CC 1018 KHN / 13BG91AN603 (2013) / E3-07527B-01
- CC 1018 KHN / 13AG91AN603 (2012) / Mowing deck N (41"/105cm)
- CC 1018 HE / 13HD91AE603 (2015) / Mowing deck E (36"/92cm)
- CC 1018 HE / 13HD91AE603 (2014) / Mowing deck E (36"/92cm)
- CC 1018 HE / 13HD91AE330 (2015) / Mowing deck E (36"/92cm)
- CC 1018 HE / 13BD91AE603 (2014) / Mowing deck E (36"/92cm)
- CC 1018 HE / 13BD91AE603 (2013) / Mowing deck E (36"/92cm)
- CC 1018 HE / 13AD91AE603 (2012) / Mowing deck E (36"/92cm)
- CC 1018 BHE / 13HT91AE603 (2016) / Mowing deck E (36"/92cm)
- CC 1018 BHE / 13HT91AE603 (2015) / Mowing deck E (36"/92cm)
- CC 1018 AN / 13HD90AN603 (2015) / Mowing deck N (41"/105cm)
- CC 1018 AN / 13HD90AN603 (2014) / Mowing deck N (41"/105cm)
- CC 1018 AN / 13BD90AN603 (2014) / Mowing deck N (41"/105cm)
- CC 1018 AN / 13BD90AN603 (2013) / E3-07527B-01
- CC 1018 AN / 13AD90AN603 (2012) / Mowing deck N (41"/105cm)
- CC 1016 RD-E / 13MG51AE603 (2011) / Mowing deck E (36"/92cm)
- CC 1016 RD-E / 13MG51AE403 (2011) / Mowing deck E (36"/92cm)
- CC 1016 RD-E / 13DG51AE603 (2011) / Mowing deck E (36"/92cm)
- CC 1016 RD-E / 13DG51AE403 (2011) / Mowing deck E (36"/92cm)
- CC 1016 RD-E / 13CG51AE603 (2011) / Mowing deck E (36"/92cm)
- CC 1016 RD-E / 13CG51AE603 (2010) / Mowing deck E (36"/92cm)
- CC 1016 RD-E / 13CG51AE403 (2011) / Mowing deck E (36"/92cm)
- CC 1016 RD-E / 13CG51AE403 (2010) / Mowing deck E (36"/92cm)
- CC 1016 KHE / 13HG91AE603 (2014) / Mowing deck E (36"/92cm)
- CC 1016 KHE / 13BG91AE603 (2014) / Mowing deck E (36"/92cm)
- CC 1016 KHE / 13BG91AE603 (2013) / Mowing deck E (36"/92cm)
- CC 1016 KHE / 13AG91AE603 (2012) / Mowing deck E (36"/92cm)
- CC 1016 AE / 13HD90AE603 (2015) / Mowing deck E (36"/92cm)
- CC 1016 AE / 13HD90AE603 (2014) / Mowing deck E (36"/92cm)
- CC 1016 AE / 13BD90AE603 (2014) / Mowing deck E (36"/92cm)
- CC 1016 AE / 13BD90AE603 (2013) / Mowing deck E (36"/92cm)
- CC 1016 AE / 13AD90AE603 (2012) / Mowing deck E (36"/92cm)
- CC 1015 RD-E / 13CV51CE403 (2009) / Mowing deck E (36"/92cm)
- CC 1015 RD-E / 13BV51CE603 (2008) / Mowing deck E (36"/92cm)
- CC 1000 RD / 13B951CN603 (2010) / Mowing deck N (41"/105cm)
- CC 1000 RD / 13B951CN603 (2009) / Mowing deck N (41"/105cm)
- CC 1000 RD / 13A951CN603 (2008) / Mowing deck N (41"/105cm)
- CC 1000 RD / 13A951CN603 (2007) / Mowing deck N (41"/105cm)
MAC ALLISTER
- JE 150/92 A / 13A3488E668 (2007) / Mowing deck E (36"/92cm)
- Mac 220/105 AM / 13AU788N668 (2008) / Mowing deck N (41"/105cm)
- Mac 220/105 AM / 13AU788N668 (2009) / Mowing deck N (41"/105cm)
- Mac 220/105 AM / 13AU788N668 (2010) / Mowing deck N (41"/105cm)
- Mac 220/105 H / 13AU718N668 (2011) / Mowing deck N (41"/105cm)
- Mac 220/105 H / 13AU718N668 (2012) / Mowing deck N (41"/105cm)
- Mac 220/105 H / 13AU718N668 (2013) / Mowing deck N (41"/105cm)
- Mac 220/105 H / 13AU718N668D (2013) / Mowing deck N (41"/105cm)
- S 220/105 H / 13AU498N668 (2006) / Mowing deck N (41"/105cm)
- S 220/105 H / 13AU498N668 (2007) / Mowing deck N (41"/105cm)
MASTERCUT
- Mastercut 92-155 to 2016 / 13SH761E659 (2009) / Mowing deck E (36"/92cm)
- Mastercut 92-155 to 2016 / 13HM771E659 (2016) / Mowing deck E (36"/92cm)
- Mastercut 92-155 to 2016 / 13HM771E659 (2015) / Mowing deck E (36"/92cm)
- Mastercut 92-155 to 2016 / 13HM771E659 (2014) / Mowing deck E (36"/92cm)
- Mastercut 92-155 to 2016 / 13HM761E659 (2016) / Mowing deck E (36"/92cm)
- Mastercut 92-155 to 2016 / 13HM761E659 (2015) / Mowing deck E (36"/92cm)
- Mastercut 92-155 to 2016 / 13HM761E659 (2014) / Mowing deck E (36"/92cm)
- Mastercut 92-155 to 2016 / 13AM771E686 (2010) / Mowing deck E (36"/92cm)
- Mastercut 92-155 to 2016 / 13AM771E659 (2014) / Mowing deck E (36"/92cm)
- Mastercut 92-155 to 2016 / 13AM771E659 (2013) / Mowing deck E (36"/92cm)
- Mastercut 92-155 to 2016 / 13AM771E659 (2012) / Mowing deck E (36"/92cm)
- Mastercut 92-155 to 2016 / 13AM771E659 (2011) / Mowing deck E (36"/92cm)
- Mastercut 92-155 to 2016 / 13AM771E659 (2010) / Mowing deck E (36"/92cm)
- Mastercut 92-155 to 2016 / 13AM771E659 (2009) / Mowing deck E (36"/92cm)
- Mastercut 92-155 to 2016 / 13AM761E659 (2013) / Mowing deck E (36"/92cm)
- Mastercut 92-155 to 2016 / 13AM761E659 (2012) / Mowing deck E (36"/92cm)
- Mastercut 92-155 to 2016 / 13AM761E659 (2011) / Mowing deck E (36"/92cm)
- Mastercut 92-155 to 2016 / 13AM761E659 (2009) / Mowing deck E (36"/92cm)
- Mastercut 92-155 to 2016 / 13AM760E659 (2009) / Mowing deck E (36"/92cm)
- Mastercut 92-155 to 2016 / 13AM760E659 (2008) / Mowing deck E (36"/92cm)
- Mastercut 92-155 from 2017 / 13IM775E659 (2018) / Mowing deck E (36"/92cm)
- Mastercut 92-155 from 2017 / 13IM765E659 (2018) / Mowing deck E (36"/92cm)
- Mastercut 92-155 from 2017 / 13HM775E659 (2017) / Mowing deck E (36"/92cm)
- Mastercut 92-155 from 2017 / 13HM765E659 (2017) / Mowing deck E (36"/92cm)
- Mastercut 92-145 / 13BM761E659 (2011) / Mowing deck E (36"/92cm)
- Mastercut 92-125 / 13LH761E659 (2010) / Mowing deck E (36"/92cm)
- Mastercut 92 H / 13AM493E659 (2007) / Mowing deck E (36"/92cm)
- Mastercut 92 A / 13AH483E659 (2007) / Mowing deck E (36"/92cm)
- Mastercut 92 / 13SH761E659 (2011) / Mowing deck E (36"/92cm)
- Mastercut 92 / 13SH760E659 (2008) / Mowing deck E (36"/92cm)
- Mastercut 92 / 13HH761E659 (2015) / Mowing deck E (36"/92cm)
- Mastercut 92 / 13HH761E659 (2014) / Mowing deck E (36"/92cm)
- Mastercut 92 / 13BH761E659 (2014) / Mowing deck E (36"/92cm)
- Mastercut 92 / 13BH761E659 (2013) / Mowing deck E (36"/92cm)
- Mastercut 92 / 13BH761E659 (2012) / Mowing deck E (36"/92cm)
- Mastercut 92 / 13AH761E659 (2011) / Mowing deck E (36"/92cm)
- Mastercut 92 / 13AH761E659 (2010) / Mowing deck E (36"/92cm)
- Mastercut 92 / 13AH761E659 (2009) / Mowing deck E (36"/92cm)
- Mastercut 92 / 13AH760E659 (2008) / Mowing deck E (36"/92cm)
- Mastercut 92 / 13AH760E459 (2008) / Mowing deck E (36"/92cm)
- Mastercut 105 H / 13AM493N659 (2007) / Mowing deck N (41"/105cm)
- Mastercut 105 / 13AM760N659 (2008) / Mowing deck N (41"/105cm)
- Mastercut 105 / 13AM760N459 (2008) / Mowing deck N (41"/105cm)
EFCO
- Kommand 92/16 HPlus / 13CG49KE437 (2011) / Mowing deck E (36"/92cm)
- Kommand 92/16 HPlus / 13BG49KE637 from 09.11.2010 (2011) / Mowing deck E (36"/92cm)
- Kommand 92/16 HPlus / 13BG49KE637 (2011) / Mowing deck E (36"/92cm)
- Kommand 92/16 HPlus / 13BG49KE437 (2011) / Mowing deck E (36"/92cm)
- Kommand 92/16 HPlus / 13AG99KE637 (2013) / Mowing deck E (36"/92cm)
- Kommand 92/16 HPlus / 13AG99KE637 (2012) / Mowing deck E (36"/92cm)
- Kommand 92/16 HPlus / 13AG49KE637 (2010) / Mowing deck E (36"/92cm)
- Kommand 92/15.5 H / 13AM71KE637 (2011) / Mowing deck E (36"/92cm)
- Kommand 92/15,5 AM / 13AM78KE637 (2010) / Mowing deck E (36"/92cm)
- Kommand 92/15,5 AM / 13AM78KE637 (2009) / Mowing deck E (36"/92cm)
- Kommand 92/15 HPlus / 13AG49KE637 (2009) / Mowing deck E (36"/92cm)
- Kommand 92/13,5 T / 13AH77KE637 (2010) / Mowing deck E (36"/92cm)
- Kommand 92/13,5 T / 13AH77KE637 (2009) / Mowing deck E (36"/92cm)
- Kommand 92/13 T / 13AH77KE637 (2013) / Mowing deck E (36"/92cm)
- Kommand 92/13 T / 13AH77KE637 (2012) / Mowing deck E (36"/92cm)
- Kommand 92/13 T / 13AH77KE637 (2011) / Mowing deck E (36"/92cm)
- Kommand 105/22 HPlus / 13BF49KN637 (2011) / Mowing deck N (41"/105cm)
- Kommand 105/22 HPlus / 13BF49KN437 (2011) / Mowing deck N (41"/105cm)
- Kommand 105/22 HPlus / 13AF99KN637 (2012) / Mowing deck N (41"/105cm)
- Kommand 105/22 HPlus / 13AF49KN637 from 02.11.2010 (2011) / Mowing deck N (41"/105cm)
- Kommand 105/22 HPlus / 13AF49KN637 (2010) / Mowing deck N (41"/105cm)
- Kommand 105/22 HPlus / 13AF49KN637 (2009) / Mowing deck N (41"/105cm)
- Kommand 105/22 HPlus / 13AF49KN437 (2011) / Mowing deck N (41"/105cm)
- Kommand 105/17,5 HPlus / 13BN49KN637 (2011) / Mowing deck N (41"/105cm)
- Kommand 105/17,5 HPlus / 13BN49KN437 (2011) / Mowing deck N (41"/105cm)
- Kommand 105/17,5 HPlus / 13AN49KN637 from 02.11.2010 (2011) / Mowing deck N (41"/105cm)
- Kommand 105/17,5 HPlus / 13AN49KN637 (2010) / Mowing deck N (41"/105cm)
- Kommand 105/17,5 HPlus / 13AN49KN637 (2009) / Mowing deck N (41"/105cm)
- Kommand 105/17,5 HPlus / 13AN49KN437 (2011) / Mowing deck N (41"/105cm)
OLEO-MAC
- Krosser 92/13,5 T / 13AH77KE636 (2009) / Mowing deck E (36"/92cm)
- Krosser 92/13,5 T / 13AH77KE636 (2010) / Mowing deck E (36"/92cm)
- Krosser 92/13,5 T / 13AH77KE636 (2013) / Mowing deck E (36"/92cm)
- Krosser 92/15,5 AM / 13AM78KE636 (2009) / Mowing deck E (36"/92cm)
- Krosser 92/15,5 AM / 13AM78KE636 (2010) / Mowing deck E (36"/92cm)
- Krosser Plus 92/16 H / 13AG49KE636 (2009) / Mowing deck E (36"/92cm)
- Krosser Plus 105/22 H / 13AF49KN636 (2009) / Mowing deck N (41"/105cm)
- Krosser Plus 105/22 H / 13AF49KN636 (2010) / Mowing deck N (41"/105cm)
- Krosser Plus 105/22 H / 13AF49KN436 (2011) / Mowing deck N (41"/105cm)
- Krosser Plus 105/22 H / 13BF49KN436 (2011) / Mowing deck N (41"/105cm)
- Krosser Plus 105/22 H / 13AF49KN636 (2011) / Mowing deck N (41"/105cm)
- Krosser Plus 105/17,5 H / 13AN49KN636 (2009) / Mowing deck N (41"/105cm)
- Krosser Plus 105/17,5 H / 13AN49KN636 (2010) / Mowing deck N (41"/105cm)
- Krosser Plus 105/17,5 H / 13AN49KN436 (2011) / Mowing deck N (41"/105cm)
- Krosser Plus 105/17,5 H / 13BN49KN436 (2011) / Mowing deck N (41"/105cm)
- Krosser Plus 105/17,5 H / 13AN49KN636 (2011) / Mowing deck N (41"/105cm)
- Krosser Plus 105/17,5 H / 13BN49KN636 (2011) / Mowing deck N (41"/105cm)
- Krosser 92/15,5 T / 13AM77KE636 (2010) / Mowing deck E (36"/92cm)
- Krosser 92/15,5 T / 13AM77KE636 (2011) / Mowing deck E (36"/92cm)
- Krosser 92/15,5 T / 13AM77KE636 (2012) / Mowing deck E (36"/92cm)
- Krosser 92/16 H / 13AG49KE636 (2010) / Mowing deck E (36"/92cm)
- Krosser 92/16 H / 13BG49KE436 (2011) / Mowing deck E (36"/92cm)
- Krosser 92/16 H / 13BG49KE436 (2011) / Mowing deck E (36"/92cm)
- Krosser 92/16 H / 13CG49KE436 (2011) / Mowing deck E (36"/92cm)
- Krosser 92/16 H / 13BG49KE636 (2011) / Mowing deck E (36"/92cm)
- Krosser 92/16 H / 13BG49KE636 (2011) / Mowing deck E (36"/92cm)
- Krosser 92/16 H / 13CG49KE636 (2011) / Mowing deck E (36"/92cm)
- Krosser 92/16 H / 13AG99KE636 (2012) / Mowing deck E (36"/92cm)
- Krosser 92/13 T / 13AH77KE636 (2011) / Mowing deck E (36"/92cm)
- Krosser 92/13 T / 13AH77KE636 (2012) / Mowing deck E (36"/92cm)
- Krosser 92/15.5 H / 13AM71KE636 (2011) / Mowing deck E (36"/92cm)
NR CZĘŚCI ORYGINALNEJ:
756-04050
WYMIARY:
ŚREDNICA CAŁKOWITA: 152,6 MM
ŚREDNICA OTWORU: 9,5 MM
WYSOKOŚĆ: 28 MM
$$$
Informacje GPSR
Zestaw akumulatorowy
PROMOCJA !!!!
TRAKTOREK WEIBANG + ROBOT KOSZĄCY STIG + ZESTAW STARTOWY ROBOTA
TYLKO 16 200 zł
(przy odbiorze osobistym)

Jeżeli mają Państwo kłopot z dobraniem części prosimy o kontakt elektroniczny lub telefoniczny.
